

الجغرافية الطبيعية


الجغرافية الحيوية

جغرافية النبات

جغرافية الحيوان

الجغرافية الفلكية

الجغرافية المناخية

جغرافية المياه

جغرافية البحار والمحيطات

جغرافية التربة


جغرافية التضاريس

الجيولوجيا

الجيومورفولوجيا


الجغرافية البشرية


الجغرافية الاجتماعية

جغرافية السكان


جغرافية العمران

جغرافية المدن

جغرافية الريف

جغرافية الجريمة

جغرافية الخدمات


الجغرافية الاقتصادية

الجغرافية الزراعية

الجغرافية الصناعية

الجغرافية السياحية

جغرافية النقل

جغرافية التجارة

جغرافية الطاقة

جغرافية التعدين

الجغرافية التاريخية

الجغرافية الحضارية

الجغرافية السياسية و الانتخابات

الجغرافية العسكرية

الجغرافية الثقافية

الجغرافية الطبية

جغرافية التنمية

جغرافية التخطيط

جغرافية الفكر الجغرافي

جغرافية المخاطر

جغرافية الاسماء

جغرافية السلالات

الجغرافية الاقليمية

جغرافية الخرائط


الاتجاهات الحديثة في الجغرافية

نظام الاستشعار عن بعد

نظام المعلومات الجغرافية (GIS)

نظام تحديد المواقع العالمي(GPS)

الجغرافية التطبيقية

جغرافية البيئة والتلوث

جغرافية العالم الاسلامي

الاطالس

معلومات جغرافية عامة

مناهج البحث الجغرافي
منحنيات المقاومة (Resistivity Curves)
المؤلف:
أ. د. فاروق صنع الله العمري
المصدر:
مبادئ علم الطبقات
الجزء والصفحة:
ص 179 ـ 181
2026-01-28
164
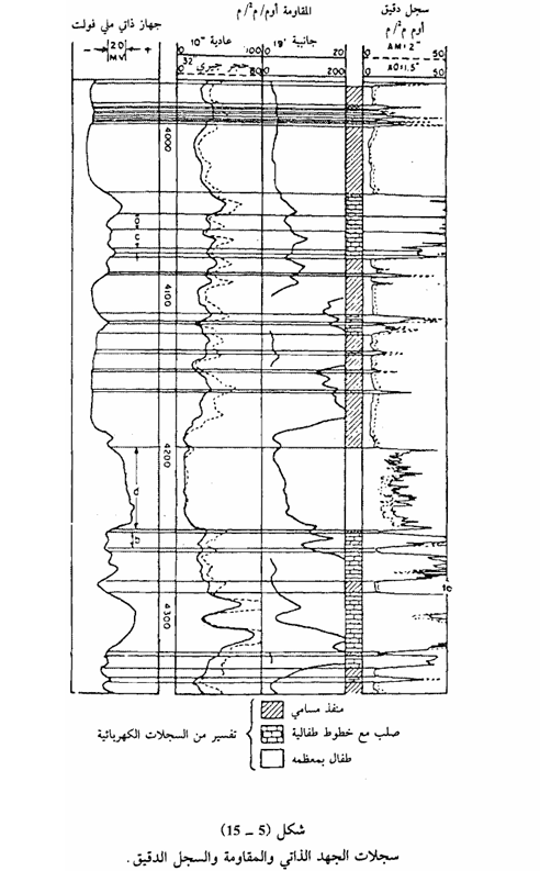
تستخدم طريقة التسجيل الكهربائي أقطاباً ترسل بواسطتها الكهربائية ويقاس فرق الجهد بينهما وتستخدم هذه الطريقة فقط في آبار تحوي على أطيان موصلة الكهربائية.
الشكل (5 ـ 14) يوضح الوضع الاعتيادي به قطبان (أ ) و (م) داخل البئر والقطبان (ب و ن) على السطح.
وفي الشكل (5 ـ 14) تتوضح الدائرة الكهربائية المستخدمة فعلاً فالقطب (ن) يوضع على بعد كبير من القطبين أو (م) لذا فكلما زادت المقاومة داخل البئر قلت قيمة التيار وبالعكس ويوضح الشكل (5- 15) سجل المقاومة.
إن سجل (منحني) المقاومة يعطينا ثلاث معلومات أساسية مهمة لتقدير كمية المواد الهيدروكربونية وهي النفاذية المسامية التشبع.
إن المقاومة الكهربائية للصخور تعتمد بصورة رئيسية على نوعية السائل وكميته لذا فإن كمية الماء هي المعيار للمسامية (porosity) في الصخور.
فالمسامية إذن لها علاقة بالمقاومة وبصورة عامة فإن طبقات مساميتها 10% أكثر مقاومة من تلك التي مساميتها 30% بشرط أن يحتوي كلاهما على نفس السائل. فالحجر الرملي المسامي الذي يحوي على ماء مالح بكثرة يكون موصلاً للكهربائية وتكون مقاومته للتيار المرسل داخل البئر أقل ولو كان في الحجر الرملي ذاته نفطاً فإن مقاومته ستكون أكبر للتيار، لأن النفط مادة غير موصلة للكهربائية كالماء المالح.


الاكثر قراءة في الاتجاهات الحديثة في الجغرافية
اخر الاخبار
اخبار العتبة العباسية المقدسة
الآخبار الصحية

قسم الشؤون الفكرية يصدر كتاباً يوثق تاريخ السدانة في العتبة العباسية المقدسة
"المهمة".. إصدار قصصي يوثّق القصص الفائزة في مسابقة فتوى الدفاع المقدسة للقصة القصيرة
(نوافذ).. إصدار أدبي يوثق القصص الفائزة في مسابقة الإمام العسكري (عليه السلام)