Collagen Fibers-Collagen Fibrils
المؤلف:
Kuehnel, W
المصدر:
Color Atlas of Cytology, Histology, and Microscopic Anatomy
الجزء والصفحة:
8-1-2017
2110
Collagen Fibers-Collagen Fibrils
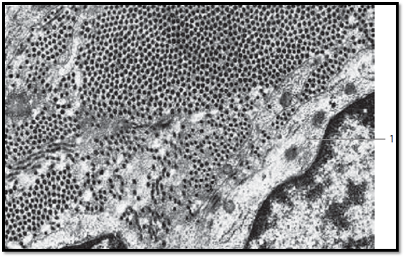
Collagen fibrils organize in the organism to collagen fibers. Their organization and distribution vary and adjust to changing tensile forces. The width of the fibril bundles varies too. In this figure, a fibril bundle (fiber) is cut vertical to its axis. A fibroblast is also cut and shows a nucleus, which is surrounded by a small plasma seam 1 . Notice the fine intracellular filaments. In the finely granulate d intercellular substance adjacent to the Fibrocyte are collagen fibrils, either singly or in small groups. They are mostly cut across their axis. Some fibrils in the lower third of the figure are cut tangentially. Section through the mitral valve of a human heart.
Electron microscopy; magnification: × 18000

Collagen Fibers—Collagen Fibrils
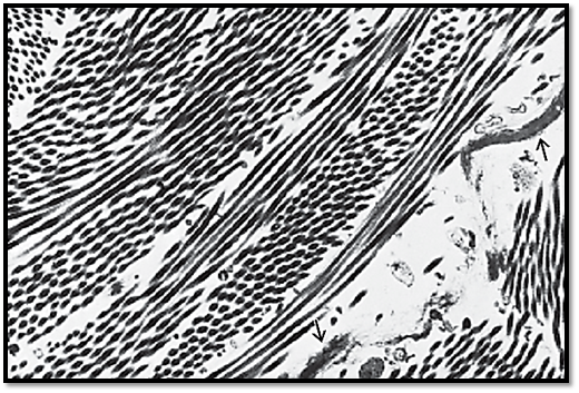
Collagen fibers are the main portion of the structural intercellular elements. While fresh, the fibers are shiny white. In light microscopic images, the fibers look like strands of hair curling in spirals. In thin sections for electron-microscopic examination, they are inevitably cut in different planes and directions. In this figure, the fibril bundles are cut either across or longitudinally, but mostly tangentially. Lengthwise-cut fibrils faintly show periodic cross-striation. There are also elastic fiber elements . Collagen is the most widely found protein; by weight it represents about 25% of the protein in the human body. Bundles of collagen fibrils from the stratum papillare of the corium.
Electron microscopy; magnification: × 10000

References
Kuehnel, W.(2003). Color Atlas of Cytology, Histology, and Microscopic Anatomy. 4th edition . Institute of Anatomy Universitätzu Luebeck Luebeck, Germany . Thieme Stuttgart · New York .
الاكثر قراءة في علم الخلية
اخر الاخبار
اخبار العتبة العباسية المقدسة