A granular (Smooth) Endoplasmic Reticulum
المؤلف:
Kuehnel,W
المصدر:
Color Atlas of Cytology, Histology, and Microscopic Anatomy
الجزء والصفحة:
3-8-2016
3333
A granular (Smooth) Endoplasmic Reticulum
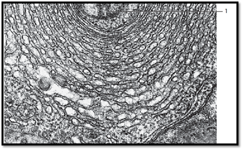
The morphological difference between smooth or a granular ER and the granular form of ER is the absence of ribosomes. Rough ER proliferates to smooth ER, where the synthesis of lipid and steroid molecules occurs, cholesterol among others. In addition, sER metabolizes many xenobiotic substances, such as pharmaceuticals, pesticides and carcinogens, etc. The sER is therefore the most important intracellular detoxification system. It usually takes the form of a tightly woven network of branched tubules of various diameters (30–10 0 nm). Cisternae are usually absent. As in liver cells, for example, rough and smooth ER are of ten confluent. There is a pronounced expansion of the a granular ER (sER) in steroid hormone-producing cells, particularly in cells of the adrenal cortex, the corpus luteum and in the interstitial cells of the testes. Smooth ER is called sarcoplasmic reticulum in striated skeletal muscle tissue, where it serves to store calcium. In this picture of an ovarian cell from the corpus luteum, the sER forms many membrane layers around a mitochondrion.

Abundant smooth (a granular) ER in an interstitial hormone-producing ovary cell. This picture shows another membrane labyrinth, which consists mostly of coiled tubules. The tubules are rarely cut to show their entire length over a longer distance. The tubules of the sER stream around the mitochondria 1 . In the lower left corner is the section through a desmosome.

Freeze-fractured smooth (a granular) ER (freeze-etching). This technique allows a three-dimensional view of the smooth ER membranes. The smooth membranes of the tubules appear interconnected and form a network of branched tubules in the cell. The darts point to the outer surfaces of the smooth tubules, the heads of the darts to the inside of the tubules. These tubules, which point toward the viewer and out of the picture, have been broken off. Section showing part of the perikaryon of a sensory cell (rat) from the Jacob-son organ (organum vomeronasale, VNO).

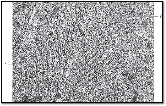
Dependent on the cell type, the morphology of smooth (a granular) ER may vary considerably. The fixation technique will obviously influence the preservation and electron-microscopic presentation of the delicate membrane system as well. In this figure, the tubules of the a granular ER are arranged in loops and meandering lines. Note the only marginally stained cytoplasm between the tubules. Striate d muscle cells are also interspersed with smoothly line d tubules ( T-and L -system ). All tubules combine d form the sarcoplasmic reticulum of muscle cells or muscle fibers. This highly organize d system of tubules exists in a characteristic relationship with the striation pattern of the myofibrils, and both combined will form impressive patterns. Partial section of the perikaryon of a sensory cell from the rat Jacobson organ (organum vomeronasale, VNO)

In some cells, both forms of endoplasmic reticulum coexist. The lower left half of the adjacent figure shows granular ER (rER), which is apparently continuous with the looped tubules of the a granular ER (sER) 2 . The enzymes for the lipid and glycogen metabolisms are localized in the smooth ER membrane system. Various lipoids, for example, are synthesized in the sER of steroid-producing cells, which biosynthesize steroid hormones from cholesterol. Partial section of a sensory cell perikaryon from the Jacobson organ of the rat (organum vomeronasale, VNO).
1 Granular ER (rER) membranes
2 Meandering tubules of the smooth ER (sER)

References
Kuehnel, W.(2003). Color Atlas of Cytology, Histology, and Microscopic Anatomy. 4th edition . Institute of Anatomy Universitätzu Luebeck Luebeck, Germany . Thieme Stuttgart · New York .
الاكثر قراءة في علم الخلية
اخر الاخبار
اخبار العتبة العباسية المقدسة