تطبيقات الدارات المنطقية: دارة قفل باستخدام نطاط D
المؤلف:
جهاد دريد / عثمان إرفاعية / باسل عبد الحق / يوسف شقير / إبراهيم محمود
المصدر:
الالكترونيات الصناعية
الجزء والصفحة:
ص120–121
2023-08-20
1344
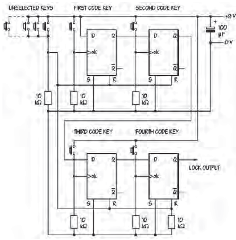
يمكن استخدام النطاط D بسهولة لعمل دارة قفل Combinational lock)) ويتم ذلك باستخدام رقاقتين (4013). الدارة التالية تبين قفلاً من 4 خانات حيث يجب أن يتم الضغط على المفاتيح بالترتيب الصحيح. وعند الضغط على أي مفتاح آخر غير المفاتيح الأربعة، فإن ذلك سيؤدي إلى إطفاء النطاطات وعدم تشغيل القفل.

يكون مدخل النطاط الأول موصولاً مع مصدر التغذية (أي في وضع عال (H)). عند الضغط على المفتاح الأول يصبح مخرجه عالياً (H). وعند الضغط على المفتاح الثاني يصبح مخرج النطاط الثاني عالياً وهكذا. إذا تم الضغط على أي من المفاتيح الأخرى فإن مخرج النطاطات الأربعة يصبح في وضع منخفض (L).
فقط عند الضغط على المفاتيح بالترتيب الصحيح يعمل القفل. يمكن استخدام مؤقت زمني يعمل تأخيراً مناسباً بحيث يرجع وضع القفل إلى حالة الإغلاق.
الاكثر قراءة في الألكترونيات
اخر الاخبار
اخبار العتبة العباسية المقدسة