
تاريخ الفيزياء

علماء الفيزياء


الفيزياء الكلاسيكية

الميكانيك

الديناميكا الحرارية


الكهربائية والمغناطيسية

الكهربائية

المغناطيسية

الكهرومغناطيسية


علم البصريات

تاريخ علم البصريات

الضوء

مواضيع عامة في علم البصريات

الصوت


الفيزياء الحديثة


النظرية النسبية

النظرية النسبية الخاصة

النظرية النسبية العامة

مواضيع عامة في النظرية النسبية

ميكانيكا الكم

الفيزياء الذرية

الفيزياء الجزيئية


الفيزياء النووية

مواضيع عامة في الفيزياء النووية

النشاط الاشعاعي


فيزياء الحالة الصلبة

الموصلات

أشباه الموصلات

العوازل

مواضيع عامة في الفيزياء الصلبة

فيزياء الجوامد


الليزر

أنواع الليزر

بعض تطبيقات الليزر

مواضيع عامة في الليزر


علم الفلك

تاريخ وعلماء علم الفلك

الثقوب السوداء


المجموعة الشمسية

الشمس

كوكب عطارد

كوكب الزهرة

كوكب الأرض

كوكب المريخ

كوكب المشتري

كوكب زحل

كوكب أورانوس

كوكب نبتون

كوكب بلوتو

القمر

كواكب ومواضيع اخرى

مواضيع عامة في علم الفلك

النجوم

البلازما

الألكترونيات

خواص المادة


الطاقة البديلة

الطاقة الشمسية

مواضيع عامة في الطاقة البديلة

المد والجزر

فيزياء الجسيمات


الفيزياء والعلوم الأخرى

الفيزياء الكيميائية

الفيزياء الرياضية

الفيزياء الحيوية

الفيزياء والفلسفة

الفيزياء العامة


مواضيع عامة في الفيزياء

تجارب فيزيائية

مصطلحات وتعاريف فيزيائية

وحدات القياس الفيزيائية

طرائف الفيزياء

مواضيع اخرى
مصدر فولتية ثابت Constant Voltage Source
المؤلف:
الدكتور صبحي سعيد الراوي
المصدر:
فيزياء الألكترونات
الجزء والصفحة:
31
1-10-2021
3735
مصدر فولتية ثابت Constant Voltage Source
أي جهاز قادر على توليد جهد اخراج بصورة دائمية يمكن تسميته بمصدر فولتية voltage source. هناك، على اية حال، نوعان من مصادر الفولتية : مصدر الفولتية المستمرة voltage source ومصدر الفولتية المتناوبة alternating voltage source.
لعل من أهم مميزات مصدر الفولتية المستمرة انه يحافظ على قطية الجهد الخارج ويبكون نفس قطبية المصدر. فاذا ما ربطت مقاومة حمل RL عبر هذا المصدر الشكل (1 أ) ، فان التيار سوف يسري باتجاه واحد : اي من الطرف الموجب باتجاه الطرف السالب. هذا النوع من التيار يدعى بالتيار المستمر . direct current او اختصار ( d.c) لانه يسري باتجاه واحد فقط وكذلك هي الفولتية المستمرة الناتجة.

شكل(1)
من جهة اخرى فان مصدر الفولتية المتناوبة يعمل بصورة دورية على عكس قطبية الجهد الخارج واذا ما ربطت ممانعة حمل ZL عبر هذا المصدر- انظر الشكل (1ب) - فان التيار المار في ZL سوف يعكس اتجاهه دوريا ولهذا يدعى بالتيار المتناوب alternating current او اختصارا ب ( a.c ) .
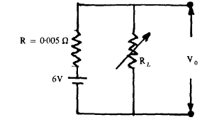
من المرغوب فيه دائما ، الحصول على مصدر فولتية ثابت يعرف بانه مصدر الفولتية الذي يمنلك ممانعة داخلية صغيرة جداً مقارنة مع مقاومة الحمل الخارجية المربوطة اليه بحيث ان الفولتية الخارجة تبقى ثابتة تقريبا حتى في حالة تغير تيار الحمل الناتج من تغير مقاومة الحمل. ففي الشكل (2) نلاحظ وجود مصدر فولتية مستمرة بقيمة 6V ومقاومة داخلية 0.005 اوم.

الشكل (2) مصدرفولتية ثابت.
الان اذا ما ربطت مقاومة حمل RL متغيرة ثم غيرت قيمتها بحيث ان قيمة التيار المار تتغير من 1 الى 10 أمبير فان الهبوط على المقاومة الداخلية سوف يتغير من 0.005 الى 0.05 فولت وبالتالي فان الفولتية الخارجة ستتغير من 6 فولت الى 5.95 فولت . ومن هنا يمكن عد هذا المصدر مصدر فولتية ثابتاً نموذجياً .
الاكثر قراءة في الألكترونيات
اخر الاخبار
اخبار العتبة العباسية المقدسة
الآخبار الصحية

قسم الشؤون الفكرية يصدر كتاباً يوثق تاريخ السدانة في العتبة العباسية المقدسة
"المهمة".. إصدار قصصي يوثّق القصص الفائزة في مسابقة فتوى الدفاع المقدسة للقصة القصيرة
(نوافذ).. إصدار أدبي يوثق القصص الفائزة في مسابقة الإمام العسكري (عليه السلام)